返回 产品中心
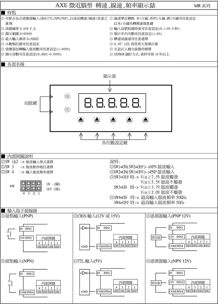
数位电表MR-B2A
MR-B2A
品名:数位电表
产地:台湾(全新进口)
品牌:AXE钜斧

联硕机电是一家一贯从事东莞进口低压电器及成套设备的经营公司,主要经营RKC/理化,
CONCH/琦胜,
FOTEK/阳明,
AXE/钜斧,
MOONSTAR/月欣,
TAIDE/台德,
NEMICON/内密控,
OMRON/欧姆龙,
AOYI/奥仪,
电线电缆设备,
等等的低价格的工控产品,多个知名品牌,,欢迎来电咨询 :
电 话:0769-85152489
传 真:0769-85708089
手 机:18924378066
联 系 人:
地址:东莞市虎门镇镇北栅358省道605号。
详情网站:联硕机电(www.dglianshuo.com)
东莞市虎门联硕机电配件商店 © Copyright 2019